2100VAC 0.92uF Microwave Oven CH85 H.V. Capacitor 50/60Hz BiCai High Voltage Capacitor или оч.умелые ручки
Семь лет без особых проблем отработала у меня на кухне микроволновая печь Samsung 183DNR и в один из последних дней мая вдруг перестала греть. Включалась и гудела вроде как обычно, но пищу не разогревала.
Гугление по тематическим сайтам показало, что проблема обычно возникает в магнетроне или в предохранителе.
«Пациент» был вскрыт. Вид трансформатора привел меня в небольшое замешательство. Было похоже, что он горел. Вынул его обнюхал со всех сторон. Горелым не пахло. Вернул его на место.
Следующим подозреваемым был магнетрон. На одном из форумов прочитал, что самый простой способ проверить работоспособность магнетрона «прозвонить» его ноги между собою (тестер должен показать КЗ) и «прозвонить» каждую ногу на корпус (тестер должен показать разрыв). Сия процедура показала, что магнетрон вроде бы не пострадал.
Следующим проверке подвергся высоковольтный предохранитель 5KV 750mA, упакованный в красный пластмассовый кожух. Кожух легко раскручивается. Осмотр показал, что предохранитель перегорел. Пичалька. Но не сам же по себе он вдруг умер?
Следующий на очереди был высоковольтный конденсатор BiCai H.V. Capacitor 0.91uF 2100VAC. Вынул его из печи. Тестер показал КЗ на ногах конденсатора.
Теперь стало понятно, что менять надо и конденсатор и предохранитель.
Т.к. я живу в маленьком городе, то с ремонтом бытовой техники у нас дела обстоят, мягко говоря, не очень. Решил запчасти искать в интернете. Поиск на ebay сразу же помог найти продавца предохранителей. Там их полно. Ссылку давать не буду. Ссылка на предохранители по просьбе комментаторов. Выбрал одного с нормальным рейтингом и отзывами и в результате заказал 10 предохранителей за 200 рублей с бесплатной доставкой.
С поиском конденсатора было туго. Попадались одни продавцы, предлагающие такие же конденсаторы, но Б/У, и которые хотели за него пару-тройку десятков долларов + доставка. Перспектива поиметь запчасть за 1000-1500 рублей приводила в уныние. Я за свою микроволновку заплатил когда-то всего 2300 рублей, а тут один конденсатор стоит как половина микроволновки.
Упакован конденсатор был в маленькую картонную коробочку, которая была обернута серой почтовой пленкой с наклеенным треком и адресом.
Слева старый неработающий конденсатор, справа новый.
Высоковольтный блок питания
Блок питания магнетрона должен обеспечивать подачу постоянного анодного напряжения на магнетрон Uа = 4,0 кВ и переменное напряжение накала 3,15 В. При этом величина анодного тока составляет примерно 300 мА, а тока накала 10 А. Указанные величины могут незначительно изменяться в ту или иную сторону в зависимости от типа магнетрона и требуемой мощности.
Конструктивно блок питания состоит из трансформатора, диода и конденсатора и собран по схеме удвоения напряжения (рис. 1).
Рис. 1. Принципиальная электрическая схема высоковольтного блока питания
Рассмотрим работу схемы более подробно. Один из выводов высоковольтной обмотки трансформатора соединен с его корпусом, который обычно заземляется. Будем считать, что потенциал на этом выводе постоянен и равен нулю. Тогда на втором выводе напряжение в течение периода будет изменяться от +U до -U. В моменты времени, когда напряжение на выводе положительно, диод находится в открытом состоянии, напряжение на магнетроне равно нулю, а конденсатор будет заряжаться до амплитудного значения переменного напряжения.
Когда напряжение поменяет свой знак, диод окажется в запертом состоянии, а на магнетрон попадет удвоенное напряжение, образованное суммой напряжений на трансформаторе и на зарядившемся конденсаторе. Поскольку в отрицательный полупериод напряжение на трансформаторе возрастает по синусоиде, от нуля до амплитудного значения, магнетрон начнет генерировать мощность не сразу, а спустя некоторое время, после того как суммарное напряжение конденсатора и трансформатора достигнет некоторого значения (примерно 3.6 кВ).
В этот момент начнется генерация мощности, быстро нарастающей от нуля до максимума (при 4,0 кВ). Работа магнетрона будет сопровождаться постепенным разрядом конденсатора. В какой-то момент суммарное напряжение начнет снижаться, выходная мощность пойдет вниз, пока генерация полностью не прекратится.
В следующий полупериод опять начнется зарядка конденсатора и т.д. Графически этот процесс изображен на рис. 2.
Рис. 2 Форма токов и напряжений на основных элементах блока питания.
Как наглядно видно из рисунка, магнетрон в микроволновой печи работает только в отрицательный полупериод, отдыхая в положительный. Фактически он работает даже несколько меньше чем полпериода, поскольку он включается только при достижении напряжением определенной величины и выключается раньше, чем напряжение станет равным нулю. Основным достоинством схемы удвоения является то, что снижается высокое напряжение на выходе трансформатора.
Соответственно, уменьшается количество витков во вторичной обмотке, что позволяет снизить его вес, габариты и стоимость.
Накальная обмотка одним из выводов соединена с высоким анодным напряжением, поэтому на выводы магнетрона одновременно подается переменное напряжение накала 3.15 В и постоянное анодное напряжение 4.0 кВ. Для магнетронов с катодом прямого накала не имеет значения, какой из накальных выводов соединен с анодным напряжением. При использовании магнетронов с косвенным накалом анодное напряжение необходимо подавать на вывод обозначаемый «FA». В противном случае через накал будет протекать анодный ток, приводя к его дополнительному разогреву. Однако, к каким-либо катастрофическим последствиям это не приводит. Кроме того, использование в микроволновых печах магнетронов с косвенным накалом большая редкость.
Поэтому без больших натяжек выводы магнетрона можно считать равноценными. Необходимо оговориться, несмотря на то, что мы используем термин «анодное напряжение», в действительности анод соединен с корпусом магнетрона и его потенциал всегда равен нулю, а отрицательное рабочее напряжение подается на катод.
Для нормальной работы магнетрона важно, чтобы анод имел положительный потенциал +4.0 кВ по отношению к катоду, а какой из электродов заземлен, значения не имеет. Поскольку корпус магнетрона непосредственно соединен с анодом, то вполне естественно, что именно он имеет нулевой потенциал.
В микроволновых печах управление мощностью осуществляется ступенчато, периодическим отключением блока питания, т.е. регулируется средняя мощность за определенный цикл. (Подробнее об этом в разделе «Блок управления».)
Рассмотренная схема наиболее часто используется в микроволновых печах, несмотря на присущие ей некоторые недостатки. Главный из них состоит в том, что анодное напряжение подается на магнетрон одновременно с накалом. При работе на средних и малых уровнях мощности, когда магнетрон периодически выключается, нить накала подвергается многократному нагреву и охлаждению, что снижает ее срок службы. Кроме того, в момент включения анодное напряжение подается на холодный катод, поскольку он не успевает разогреться, что также негативно влияет на магнетрон.
Рассмотрим вкратце несколько схем, которые позволяют обойти указанные недостатки. Самое простое решение — это установить независимый накальный трансформатор (рис. 3).
Рис. 3 Принципиальная тема высоковольтного блока питания с независимым накальным трансформатором.
Накальный трансформатор включается за несколько секунд до включения анодного напряжения и постоянно работает в течение всего времени, устанавливаемого таймером, независимо от выбранного уровня мощности. В некоторых моделях печей (например, «Электроника СП23 ЗИЛ») накальный трансформатор включается и выключается одновременно с самой печью. Основной недостаток таких конструкций — это увеличение размеров, веса и стоимости микроволновой печи.
От этого избавлена схема на рис. 4.
Рис. 4. Принципиальная схема блока питания с использованием высоковольтного реле в анодной цепи
Анодное напряжение от блока питания подается на магнетрон через специальный высоковольтный переключатель. В этом случае при регулировке мощности отключается не весь блок питания, а только анодная цепь, что позволяет при одном трансформаторе получить тот же результат, что и в предыдущем случае.
Как было показано в предыдущей статье, изменение анодного напряжения даже в небольших пределах может существенно повлиять на работу магнетрона. Диапазон изменения анодного напряжения, при котором мощность магнетрона изменяется от нуля до оптимального значения, составляет около 500 В. Поэтому магнетрон с номинальным рабочим напряжением 4,0 кВ при реальном напряжении 3.5 кВ работать не будет. Фактически это означает, что, если не принять каких-либо специальных мер, снижение сетевого напряжения на 10% приведет к полной потере мощности микроволновой печи, а увеличение напряжения на те же 10% заставит ее работать в непосильном режиме, и тогда от безвременной кончины магнетрон может спасти только вовремя сгоревший предохранитель. Положение усугубляется тем, что магнетроны, даже одного типа, обладают некоторым разбросом параметров.
Рабочее напряжение магнетрона определяется напряженностью магнитного поля, создаваемого постоянными магнитами. Технологически при массовом производстве довольно сложно изготовить магниты с одинаковой индукцией. Поэтому фактическое рабочее напряжение магнетрона может на несколько процентов отличаться от номинального.
На заре телевизионной техники, когда с телевизорами возникали похожие проблемы, подключение к сети велось через специальные ферромагнитные стабилизаторы. В микроволновой печи ситуация проще и роль такого стабилизатора при определенных условиях может выполнить имеющийся трансформатор.
Рассмотрим вкратце принцип действия ферромагнитного стабилизатора. Магнитопровод трансформатора обладает свойством магнитного насыщения. Магнитное насыщение — явление, при котором в ферромагнитных материалах, при увеличении напряженности намагничивающего поля Н, начиная с некоторого его значения Нm, наблюдается резкое снижение роста магнитной индукции (рис. 25).
Рис. 5. Зависимость величины магнитной индукции В от напряженности намагничивающего поля Н в трансформаторе микроволновой печи
Если подобрать железо трансформатора таким образом, чтобы работать в зоне насыщения, изменение напряжения на первичной обмотке практически не будет влиять на величину тока в нагрузке. Нет смысла выбирать рабочую точку слишком далеко от точки насыщения, поскольку в зтом случае снизится к.п.д. трансформатора. Подчеркнем, что рассматриваемый стабилизатор является стабилизатором тока. Напряжение на разных магнетронах может быть разным, но всегда таким, какое требуется для получения заданной мощности.
Если же магнетрон отключен, то напряжение холостого хода может заметно превышать 4 кВ. Понимание физических процессов, происходящих в трансформаторе микроволновой печи, позволяет установить ограничения при его замене. Главное— это равенство анодного тока до и после замены. Эти замечания следует учитывать также и при замене магнетрона.
- Магнетрон рассчитан на большую мощность, чем позволяет обеспечить трансформатор. В результате последний будет работать в режиме сильного насыщения. Как следствие магнетрон не будет выдавать номинальной мощности, усилится гул трансформатора и снизится его к.п.д.
- Магнетрон рассчитан на меньшую мощность, чем трансформатор. Из-за возрастания анодного тока, мощность печи увеличится, однако магнетрон будет сильно перегреваться, что приведет к снижению его долговечности. При включении печи на длительное время (более 5 минут) возможно, также, отключение термореле.
На блок питания приходится примерно третья часть поломок в микроволновой печи. Это объясняется тем, что все элементы, составляющие блок питания, работают на предельных режимах и, как правило, не имеют достаточного запаса прочности. Обычно в руководствах по эксплуатации микроволновых печей указывается, что на максимальную мощность печь можно включать не более чем на 20 — 30 минут, после чего ей необходимо дать отдохнуть такое же время.
Конечно, технически не представляет труда сделать печь более надежной, однако это неизбежно приведет к росту ее габаритов, веса и стоимости. Поэтому производители микроволновых печей выбирают компромиссный вариант, при котором печь при правильной эксплуатации работает относительно надежно, но может быстро выйти из строя при нарушении этих правил.
Причины, приводящие к поломке блока питания микроволновой печи
- Длительная работа печи на максимальной мощности.
- Включение микроволновой печи при отсутствии продукта в камере либо длительная работа при загрузке меньше чем минимально допустимая. (Стандартная минимальная загрузка равна 200 мл воды.)
- Работа при повышенном напряжении электрической сети. В условиях России, особенно в сельской местности, такое, к сожалению, скорее норма, чем исключение. Люди, берущие микроволновую печь на дачу, чтобы облегчить себе жизнь, очень часто ее усложняют.
- Детали имеют заводской брак или механические повреждения.
Установив причины, попробуем разобраться со следствиями. Наиболее неприятная вещь — это выход из строя трансформатора. Обычно сгорает вторичная обмотка в результате межвиткового замыкания. При изготовлении высоковольтных обмоток считается хорошим тоном прокладывать изоляционную бумагу между слоями витков. В этом случае витки на различных слоях не соприкасаются и вероятность межвиткового пробоя значительно снижается. Однако тщательное и скрупулезное соблюдение инструкций — в некоторых случаях прямой путь в тупик.
В трансформаторах для микроволновых печей этого, как правило, не делается, поскольку производители печей считают, что лучше потратиться на дополнительное сервисное обслуживание, чем выпускать на рынок монстра, которого без автопогрузчика не сдвинуть с места. Поэтому упор делается на качество лаковой изоляции провода и на ровную укладку слоев. В этом случае напряжение между соседними слоями не превышает нескольких десятков вольт.
При неправильной укладке провод может проваливаться через несколько слоев, и тогда напряжение между ним и слоем, до которого он добрался, может достигать сотен вольт, что значительно повышает вероятность пробоя. В результате пробоя образуется несколько короткозамкнутых витков, через которые протекает большой ток. Если количество короткозамкнутых витков невелико, трансформатор некоторое время может работать, как исправный, но инфекция уже занесена и от нее, как от СПИДа, лекарства не существует. Процесс будет лавинообразно развиваться дальше. Короткозамкнутые витки будут перегреваться, разрушать изоляцию соседних витков и т.д.
Помимо плохой укладки провода возникновению пробоя может способствовать высокая температура. В этом случае в лаковой изоляции могут появиться микротрещины, замыкание и «далее со всеми остановками».
Ремонт трансформатора
Сгоревший трансформатор можно заменить. Новый трансформатор должен быть на ту же мощность, что и прежний. Естественно, это должен быть трансформатор от микроволновой печи, а не от сварочного аппарата или чего-нибудь еще.
«При отсутствии наличия» трансформатор можно отремонтировать. Относительно легко это сделать в микроволновых печах российского производства. Во-первых, потому, что катушка вторичной обмотки в них размещена на каркасе, а во-вторых, потому, что железо трансформатора не заварено, как это делается в импортных печах.
Тем не менее и в этом случае все может оказаться сложней, чем кажется на первый взгляд. Первая проблема возникает при попытке извлечь из трансформатора катушку. Обычно для уменьшения гула детали магнитопровода склеиваются и после сборки заливаются лаком. Поэтому, сняв металлическую стяжку, не стоит рассчитывать, что остальные детали развалятся, как карточный домик. Без мощных тисков и хорошего молотка вам не обойтись.
Рекомендуется перед разборкой пометить детали магнитопровода, с тем чтобы при сборке установить их в том же порядке. Но предположим, что с этим вы справились. Теперь необходимо размотать катушку, попутно сосчитав количество витков. Как правило, вторичная обмотка содержит около 2300 витков медного провода с двойной лаковой изоляцией диаметром 0.41 — 0.45 мм. Так как трансформатор работает в режиме стабилизации тока, небольшие ошибки при определении количества витков слабо влияют на его работу, поэтому будет достаточно, если вы точно установите количество слоев и количество витков в слое.
При намотке катушки необходимо периодически с помощью кисточки покрывать ее лаком, с тем чтобы все витки после высыхания лака были жестко зафиксированы. Без этого вы сами себе подложите мину, которая взорвется в последний момент, а именно во время пробного включения.
Печь будет работать, но звук будет такой, как будто на вашей кухне взлетает бомбардировщик с полной загрузкой. Борьба с гулом — это одно из наиболее сложных дел при ремонте мощных трансформаторов. Гул трансформатора возможен и в том случае, когда обмотка неплотно посажена на сердечник магнитопровода. При сборке трансформатора после ремонта имеет смысл вбить клинышек между катушкой и сердечником.
В импортных трансформаторах, для снижения гула, детали магнитопровода сварены между собой. Сварка осуществляется мягким сплавом по внешней стороне, поэтому разобрать трансформатор не сложно. Для этого необходимо в месте соединения деталей сделать ножовкой два пропила глубиной 1 — 2 мм, а затем, используя тиски и молоток, разъединить детали магнитопровода.
При сварке трансформатора после замены обмотки его также необходимо зажать тисках, чтобы не было зазора между соединяемыми частями. Изготовление обмотки для импортного трансформатора — работа очень непростая, но не безнадежная. Конечно, при наличии намоточного станка.
Предварительно необходимо изготовить разборный каркас по размеру катушки, проложить внутрь слой бумаги или скотч-ленту и плотно намотать катушку, периодически покрывая ее лаком. После высыхания лака каркас разбирается, и катушка надевается на сердечник магнитопровода.
Как известно, опыт растет прямо пропорционально выведенному из строя оборудованию. Поэтому, убедившись, что катушка не входит в сердечник, вносите необходимые коррективы и начинаете все заново. Если у вас получится с первой попытки, значит, вы родились в рубашке и вам нужно не печи ремонтировать, а в рулетку играть.
Чтобы уменьшить число итераций, лучше изначально снизить количество витков на 1 — 2 слоя. По причинам, указанным выше, это допустимо, хотя и нежелательно. Если после долгих мучений собранная печь не будет давать необходимой мощности, исправить положение можно, добавив полвитка на накальной обмотке.
В этом случае небольшой дефицит анодного напряжения, образованный уменьшением количества витков, мы компенсируем дополнительной эмиссией катода. В результате анодный ток, а соответственно и полезная мощность возрастут до приемлемого значения. Данная мера может помочь, когда число витков снижено на 5 — 10%, однако нужно помнить, что при этом сокращается срок службы магнетрона. Конечно, если есть возможность не пользоваться приведенными рекомендациями, лучше так и сделать.
Гораздо правильней поставить новый трансформатор, а не возиться с «трупом» старого. Но иногда вопрос стоит ребром: либо выбросить печь, либо попытаться починить. Для тех, кто выбрал второй вариант, автор попытался показать, как это можно сделать и к чему это может привести.
Помимо выхода из строя вторичной обмотки в трансформаторе могут быть и некоторые другие неисправности. Иногда начинает перегреваться и дымить первичная обмотка. Обычно в этом случае причина кроется не в трансформаторе, а в устройстве, управляющем подачей напряжения на первичную обмотку. Трансформатор в этом случае выступает в роли козла отпущения, отдуваясь за неправильную работу управляющих структур. На рис. 6 изображена упрощенная схема, показывающая, каким образом это может происходить.
Рис. 6. Случай, приводящий к перегреву первичной обмотки трансформатора
Включение трансформатора осуществляется с помощью симистора, на который от независимого источника питания подается управляющее напряжение.
Если одно из плеч диодного моста не работает, то симистор отпирается только в момент прохождения либо четных, либо нечетных полуволн. В результате через трансформатор, наряду с переменным, начинает протекать постоянный ток. Поскольку сопротивление трансформатора по постоянному току близко к нулю, то величина этого тока практически ничем не ограничена.
Поэтому в рассматриваемом варианте первым делом перегорят сетевые предохранители. Но возможен вариант, когда работают оба плеча диодного моста, но не симметрично. Более подробно это рассматривается в разделе о симисторах. В этом случае через первичную обмотку будет протекать два тока: переменный, совершающий полезную работу, и постоянный, мешающий этой работе и расходующий свою энергию исключительно на нагрев первичной обмотки.
При работе микроволновой печи большое значение имеет качество контактов. Особенно большое значение имеют контакты в накальной цепи. Попробуем разобраться, к чему может привести даже небольшое ухудшение контакта между накальной обмоткой трансформатора и выводами магнетрона.
Ток накала магнетрона составляет величину около 10 А. Его уменьшение примерно на 20% может привести к значительной потере эмиссии. В то же время сопротивление нити накала равно примерно 0.3 Ом. Таким образом, увеличение сопротивления на 20%, или на 0.06 Ом, приводит к уменьшению тока на те же 20% и, как следствие, к потере эмиссии. Сопротивление в 0.06 Ом — очень маленькая величина, которую не измерить обычным тестером, поэтому, если контакт внешне выглядит нормальным и при измерении тестером не показывает никакого сопротивления, это еще не говорит о его надежности. Обычно проводники, соединяющие детали в микроволновых печах, не паяются, а снабжаются специальными разъемами.
Типичная неисправность в микроволновых печах — ухудшение контактов в разъемах.
Лучший способ убедиться в надежности разъема — попробовать его разъединить. Если это сделать трудно, значит, разъем в порядке, если легко, то его можно немного обжать пассатижами.
Кроме цепи накала, большое значение имеет и качество контактов на первичной обмотке силового трансформатора. Можно сказать, что важность того или иного контакта в любом электрическом приборе прямо пропорциональна величине тока, протекающего через него. Ток в первичной обмотке равен примерно 6 А, этого достаточно, чтобы к соответствующим контактам относиться уважительно.
Еще одной неисправностью, связанной с трансформатором, является пробой накальной обмотки. Дело в том, что, хотя напряжение на ее выводах всего чуть более 3 В, сама она находится под потенциалом — 4 кВ по отношению к корпусу. А напряжение между вторичной обмоткой и накальной, в зависимости от фазы сетевого напряжения, колеблется от 2 кВ до 6 кВ. При нарушении изоляции обмотки возможен пробой как на корпус, так и на вторичную обмотку. Способствовать этому может наличие влаги и грязи в месте вероятного пробоя.
- во-первых, когда последствия пробоя не велики и есть возможность изолировать место пробоя;
- во-вторых, когда имеется возможность заменить накальную обмотку, не разбирая трансформатор.
Относительно легко это делается, если она намотана поверх вторичной или первичной обмоток. Если вам повезло и поврежденная обмотка снята, то, устанавливая новую, необходимо помнить о том, что толщина устанавливаемого провода должна быть примерно равна толщине снятого. Если это не удается сделать и провод требуемой толщины не входит в зазор между корпусом и катушкой, можно попробовать взять провод немного потоньше, но при этом, скорее всего, придется добавить количество витков. Критерий правильного выбора между толщиной провода и количеством витков — наличие напряжения 3,15 В на выводах при подключенном магнетроне.
Подчеркнем, что без нагрузки величина напряжения на накальной обмотке значения не имеет. Анодное напряжение во время измерений можно и даже нужно отключить; это можно сделать, отсоединив разъем от выхода вторичной обмотки.
Внешний вид высоковольтных конденсаторов для микроволновых печей показан на рис. 7, а их параметры приведены в таблице 1. ,
Рис. 7. Высоковольтные конденсаторы
Таблица 1 Параметры высоковольтных конденсаторов для микроволновых печей
| №пп | Наименование | ||
|---|---|---|---|
| 1 | MWC2180 | 0.8 мкФ | 2100В |
| 2 | MWC2185 | 0.85 мкФ | 2100В |
| 3 | MWC2187 | 0.87 мкФ | 2100В |
| 4 | MWC2191 | 0.91 мкФ | 2100В |
| 5 | MWC21100 | 1.0 мкФ | 2100В |
| 6 | MWC21110 | 1.1мкФ | 2100В |
| 7 | MWC21120 | 1.2мкф | 2100В |
| 8 | MWC25080 | 0.8 мкФ | 2500В |
| 9 | MWC25085 | 0.85 мкФ | 2500В |
| 10 | MWC25110 | 1.1 мкФ | 2500В |
В микроволновых печах российского производства, как правило, используются конденсаторыемкостью 1 мкФ и с максимальным напряжением 5000 В. Реально, напряжение на конденсаторе вроссийских микроволновых печах не превышает 2 . 1 кВ, поэтому при необходимости он может бытьзаменен на соответствующий импортный.
Номинал электрической емкости влияет на величину мощности, вырабатываемой магнетроном. При замене желательно использовать конденсатор той же емкости, хотя большого криминалане будет, если емкость будет немного отличаться.
Иногда изменение емкости конденсатора используется для регулировки выходной мощности(рис. 8).
Рис. 8. Принципиальная схема высоковольтного блока питания с управлением выходной мощностьюза счет изменения емкости конденсаторов
Приведенная схема содержит два параллельно включенных конденсатора, один из которыхможет отключаться дополнительным переключателем. Обычно такой способ, применяемый в моделях с ограниченной мощностью, предусматривает только два режима выходной мощности: «высокая» и «низкая». Эта система не требует какой-либо дополнительной схемы управления, необходим только механический переключатель.
В целях безопасности для быстрого разряда конденсатора между его выводами подключается высокоомное сопротивление (1 — 10 МОм). В импортном варианте это сопротивление подключается в процессе изготовления конденсатора и расположено внутри его корпуса. Для полного разряда требуется приблизительно 30 секунд. Бывают случаи, когда это сопротивление перегорает. Тогда на конденсаторе длительное время может сохраняться большой электрический заряд. Поэтому рекомендуется, приступая к ремонту, даже если печь давно выключена из сети, разрядить конденсатор. Для этого достаточно замкнуть выводы магнетрона на корпус с помощью отрезка хорошо изолированного провода. В противном случае вы рискуете из-за ничтожной оплошности угодить на «электрический стул».
Обнаружить ее можно при наличии прибора, измеряющего электрическую емкость. При его отсутствии можно попробовать зарядить конденсатор с помощью низковольтного источника напряжения и после его отключения проследить за процессом разряда. У целого конденсатора напряжение будет плавно спадать, у неисправного оно будет отсутствовать.
Для предотвращения пробоев конденсатора между его выводами иногда включают фьюз-диод, который принимает удар на себя. Фьюз-диод, или, говоря по-русски, предохранительный диод, внешне напоминает обычный высоковольтный диод. Внутри он состоит из двух встречно включенных диодов с различными номиналами. Их параметры подобраны таким образом, чтобы при нормальной работе печи не оказывать на нее никакого влияния. В то же время при закорачивании магнетрона или чрезмерном повышении напряжения на конденсаторе фьюз-диод пробивается, вызывая короткое замыкание вторичной обмотки и, как следствие, перегорание сетевого предохранителя.
В первом случае это предохраняет трансформатор от перегрева, а во втором спасает конденсатор от пробоя. Но в наших условиях выигрыш от этого сомнительный. При коротком замыкании в магнетроне предохранитель обычно перегорает и без посторонней помощи, а что касается конденсатора, то, хотя стоимость фьюз-диода заметно меньше стоимости последнего, вероятность его выхода из строя выше, примерно в той же пропорции. В условиях отлаженного сервиса это может быть оправдано, тем не менее в некоторых современных микроволновых печах указанные приборы отсутствуют.
С учетом того, что в России найти такие диоды крайне сложно, решение напрашивается само собой. Ремонт в таком варианте напоминает операцию при аппендиците: удаляем лишнее, и больной опять здоров.
И, наконец, последний элемент, составляющий блок питания, высоковольтный диод (рис. 9).
Рис. 9. Высоковольтные диоды применяемые в микроволновых печах
В таблице 2 представлены основные , которые используются в микроволновых печах.
Таблица 2 Типы диодов используемых в микроволновых печах.
| № п/п | Тип прибора | ||
|---|---|---|---|
| 1 | HV 05-12 | 12000В | 550 мА |
| 2 | HV 07-15 | 15000В | 750 мА |
| 3 | КЦ201Е | 15000В | 500 мА |
| 4 | КЦ202Е | 15000В | 500 мА |
Высоковольтный диод представляет собой большое количество последовательно соединенных обычных выпрямительных диодов, выполненных по единой технологии в одном корпусе. Такая его конструкция вносит свою специфику при проверке диода на целостность. В отличие от обычного, высоковольтный диод при проверке тестером не показывает сопротивления ни в прямом, ни в обратном направлении. Объясняется это тем, что диод имеет нелинейную вольт-амперную характеристику и его сопротивление зависит от приложенного напряжения (рис. 10).
Рис. 10. Вольт-амперная характеристика полупроводникового диода
При измерении тестером мы прикладываем к электродам диода напряжение от гальванической батарейки, которое обычно не превышает 4.5 В. Для обычного диода этого вполне достаточно, чтобы ощутить разницу между прямой и обратной ветвями характеристики.
В высоковольтном диоде прикладываемое напряжение делится поровну между всеми составляющими его элементарными диодами. В итоге каждый из них оказывается под напряжением, в соответствующее число раз меньшим. При напряжении менее чем 0.5 В сопротивление в прямом направлении оказывается достаточно велико даже у одного диода, а при последовательном соединении всех элементарных диодов общее сопротивление возрастет пропорционально их количеству. Поэтому исправный высоковольтный диод может казаться неисправным, показывая бесконечное сопротивление в обоих направлениях, и наоборот — неисправный диод, показывающий небольшое сопротивление в прямом направлении и бесконечное в обратном, внешне можно принять за исправный.
В некоторых печах российского производства высоковольтный трансформатор не имеет накальной обмотки либо она не используется, а напряжение накала подается с отдельного накального трансформатора. Обычно независимый накал используется в микроволновых печах с электронным управлением, поскольку в них уже имеется дополнительный трансформатор для питания блока управления.
Недостаток такой конструкции в том, что при подключении к трансформатору накальной обмотки его размеры возрастают в несколько раз. Кроме того, возникает опасность пробоя между высоким напряжением на накальной обмотке и низковольтными цепями блока управления, что может привести к непоправимым результатам.
Проверить и разрядить конденсатор микроволновки
При массовом использовании в быту микроволновых печах СВЧ происходит и большое количество нарушений в их работе, поломки. Многих людей, кто столкнулся с этим, интересует, как проверить своими силами конденсатор микроволновки. Здесь можно узнать ответ на этот вопрос.
Конденсатор для микроволновки
Принцип устройства
Конденсатор является приспособлением, имеющим способность копить определенный заряд электричества. Он представляет собой две пластины из металла, установленные параллельно, между которыми находится диэлектрик. Увеличение площади пластин увеличивает накопленный заряд в устройстве.
Конденсаторы бывают 2-х видов: полярные и неполярные. Все полярные приспособления – электролитические. Емкость их от 0.1 ÷ 100000 мкФ.
При проверке полярного приспособления важно соблюдение полярности, когда плюсовая клемма присоединена к плюсовому выводу, а минусовая к минусовому.
Высоковольтными являются именно полярные конденсаторы, у неполярных – малая емкость.
Микроволновка с указанием места расположения конденсатора
В цепь питания магнетрона микроволновки входит диод, трансформатор, конденсатор. Через них к катоду идет до 2-х, 3-х киловольт.
Конденсатор – это большая деталь весом до 100 гр. К нему присоединяется вывод диода, второй на корпусе. Вблизи блока размещается также цилиндр. Конкретно данный цилиндр представляет собой высоковольтный предохранитель. Он не должен допустить перегревание магнетрона.
Как разрядить конденсатор в микроволновке
Разрядить его возможно такими способами:
Отключив от электросети, конденсатор разряжают, осмотрительно замкнув отверткой его клеммы. Хороший разряд свидетельствует о его исправном состоянии. Такой способ разрядки самый распространенный, хотя некоторые считают его опасным, способным нанести вред и разрушить приспособление.
Разряд конденсатора отвертками
У высоковольтного конденсатора есть интегрированный резистор. Он работает для разряда детали. Приспособление располагается под высочайшим напряжением (2 кВ), и потому есть необходимость в его разряде в основном на корпус. Детали с ёмкостью более 100 мкФ и напряжением от 63V лучше разряжать через резистор 5-20 килоОм и 1 – 2 Вт. Для чего концы резистора объединяют с клеммами приспособления на некоторое количество секунд, чтобы снять заряд. Это необходимо для предотвращения возникновение сильной искры. Потому надо побеспокоиться об личной безопасности.
Как проверить высоковольтный конденсатор микроволновки
Высоковольтный конденсатор проверяют его подключением вместе с лампой 15 Вт Х 220 В. Дальше выключают объединенные конденсатор и лампочку из розетки. При рабочем состоянии детали лампа станет светиться в 2 раза меньше, чем обычно. При нарушениях в работе лампочка ярко светит или не светится вообще.
Проверка с лампочкой
Конденсатор микроволновки имеет емкость 1.07 мф, 2200 в, потому испытать его с поддержкою мультиметра достаточно просто:
1. Необходимо подключить мультиметр так, чтобы измерять сопротивление, а именно наибольшее сопротивление. На устройстве сделать до 2000k.
2. Потом необходимо включить незаряженное приспособление к клеммам мультиметра, не дотрагиваясь их. При рабочем состоянии показания станут 10 кОм, переходящие в бесконечность (на мониторе 1).
3. Потом необходимо изменить клеммы.
4. Когда при включении его к устройству на мониторе мультиметра ничто не поменяется, это означает, приспособление в обрыве, когда будет нуль, означает, что в нем пробой. При показании в устройстве постоянного сопротивления, пусть небольшого значения, значит, в приспособлении есть утечка. Его необходимо сменить.
Проверка мультиметром
Эти испытания сделаны на невысоком напряжении. Часто неисправные приспособления не показывают нарушения на невысоком напряжении. Потому для испытания нужно применять или мегаомметр с напряжением одинаковым напряжению конденсатора, или будет нужен наружный источник высокого напряжения.
Мультиметром его элементарно так испытать невозможно. Он продемонстрирует лишь, что обрыва нет и короткое замыкание. Для этого необходимо в режиме омметра присоединить его к детали – в исправном состоянии он продемонстрирует невысокое сопротивление, которое за некоторое количество секунд вырастет по бесконечности.
Неисправный конденсатор имеет утечку электролита. Сделать определение емкости особым устройством не трудно. Надо его подключить, поставить на большее значение, и соприкоснуться клеммами к выводам. Сверить с нормативными. Когда отличия маленькие (± 15 %), деталь исправна, но когда их нет или значительно ниже нормы, значит, она пришло в негодность.
Для испытания детали омметром:
1. Надо снять наружную крышку и клеммы.
2. Разрядить его.
3. Переключить мультиметр для испытания сопротивления 2000 килоОм.
4. Исследуйте клеммы на присутствие механических дефектов. Плохой контакт станет негативно воздействовать на качество измерения.
5. Соедините клеммы с концами устройства и смотрите за числовыми измерениями. Когда числа начинают изменяться так: 1…10…102.1, означает, что деталь в рабочем состоянии. Когда значения не изменяются или появляется нуль, значит приспособление в нерабочем состоянии.
6. Для другого испытания приспособление надо разрядить и снова подтвердить.
Проверка омметром
Испытать конденсатор для обнаружения нарушений в работе возможно и тестером. Для этого надо настроить измерения в килоОм, и смотреть за испытанием. При соприкосновении клемм сопротивление должно снизиться практически до нулевой отметки, и за несколько секунд подрасти до показания на табло 1. Наиболее замедленным этот процесс будет, когда включить замеры на 10-ки и сотки килоОм.
Работа по проверке конденсатора
Проходные конденсаторы магнетрона в микроволновке проходят проверку тоже тестером. Надо тронуть выводами устройства вывод магнетрона и его корпуса. Когда на табло будет 1 — конденсаторы исправны. При появлении показаний сопротивления означает, что один из них пробит или в утечке. Их надо сменить на новые детали.
Проверка исправности проходных конденсаторов
Одной из причин нарушений работы конденсатора есть утрата части емкости. Она становится другой, не так, как на корпусе.
Найти это нарушение при поддержке омметра трудно. Нужен датчик, который есть не в каждом мультиметре. Обрыв в детали бывает при механических воздействиях не так часто. Значительно чаще происходит нарушения за счет пробоя и утраты емкости.
Микроволновка не производит нагревание микроволной из-за того, что в детали есть утечка, которая не обнаруживается обыкновенным омметром. Потому надо целенаправленно испытать деталь при поддержке мегомметра с использованием высокого напряжения.
Действия при испытании будут следующие:
- Нужно поставить наибольший предел измерения в режиме омметра.
- Щупами измерительного устройства дотрагиваемся до выводов детали.
- Когда на табло отражается «1», показывает нам, что сопротивление более 2-ух мегаом, следственно, в рабочем состоянии, в другом варианте мультиметр продемонстрирует меньшее значение, что значит, что деталь в нерабочем состоянии и пришла в негодность.
Перед тем как начинать починку всех электроустройств, нужно удостовериться, что нет питания.
После проверки деталей надо принимать меры к замене тех из них, которые находятся в нерабочем состоянии, новыми, более совершенными.
H v capacitor из микроволновки что это
Главная деталь в любой СВЧ печи – это магнетрон. Магнетрон – это такая специальная вакуумная лампа, которая создаёт СВЧ-излучение. СВЧ-излучение весьма интересным образом воздействует на обычную воду, которая содержится в любой пище.
При облучении электромагнитными волнами частотой 2,45 ГГц молекулы воды начинают колебаться. В результате этих колебаний возникает трение. Да, обычное трение между молекулами. За счёт трения выделяться тепло. Оно то и разогревает пищу изнутри. Вот так вкратце можно объяснить принцип действия микроволновки.
Конструкция микроволновки.
Конструктивно микроволновая печь состоит из металлической камеры, в которой приготавливается пища. Камера снабжена дверцей, которая не позволяет излучению выйти наружу. Для равномерного разогрева пищи внутри камеры установлен вращающийся столик, который приводится в движение мото-редуктором (мотором), который сокращённо называется T.T.Motor (Turntable motor).
СВЧ-излучение генерируется магнетроном и через прямоугольный волновод подаётся в камеру. Для охлаждения магнетрона во время работы служит вентилятор F.M (Fan motor), который прогоняет холодный воздух через магнетрон. Далее нагретый воздух от магнетрона через воздуховод направляется в камеру и также используется для нагрева пищи. Через специальные неизлучающие отверстия часть нагретого воздуха и водяной пар выводится наружу.
В некоторых моделях СВЧ-печей для формирования равномерного нагрева пищи используется диссектор, который устанавливается в верхней части камеры микроволновки. Внешне диссектор напоминает вентилятор, но он предназначен для создания определённого типа СВЧ-волны в камере так, чтобы осуществлялся равномерный прогрев пищи.
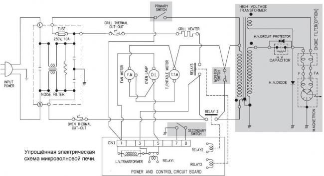
Электрическая схема микроволновки.
Давайте взглянем на упрощённую электрическую схему рядовой микроволновки (кликните для увеличения).
Как видим, схема состоит из управляющей части и исполнительной. Управляющая часть, как правило, состоит из микроконтроллера, дисплея, кнопочной или сенсорной панели, электромагнитных реле, зуммера. Это «мозги» микроволновки. На схеме всё это изображено отдельной платой с надписью Power and Control Curcuit Board. Для питания управляющей части микроволновки используется небольшой понижающий трансформатор. На схеме он отмечен как L.V.Transformer (показана только первичная обмотка).
Микроконтроллер через буферные элементы (транзисторы) управляет электромагнитными реле: RELAY1, RELAY2, RELAY3. Они включают/выключают исполнительные элементы СВЧ-печи в соответствии с заданным алгоритмом работы.
Исполнительные элементы и цепи — это магнетрон (Magnetron), мото-редуктор столика T.T.Motor (Turntable motor), охлаждающий вентилятор F.M (Fan Motor), ТЭН гриля (Grill Heater), лампа подсветки O.L (Oven Lamp).
Особо отметим исполнительную цепь, которая является генератором СВЧ-излучения.
Начинается эта цепь с высоковольтного трансформатора (H.V.Transformer). Он самый здоровый в микроволновке. Собственно, это и не удивительно, ведь через него нужно прокачать мощность в 1500 — 2000 Вт (1,5 — 2 kW), необходимых для магнетрона. Выходная же (полезная) мощность магнетрона 500 — 850 Вт.
К первичной обмотке трансформатора подводится переменное напряжение сети 220V. С одной из вторичных обмоток снимается переменное напряжение накала 3,15V. Оно подводится к накальной обмотке магнетрона. Накальная обмотка необходима для генерации (эмиссии) электронов. Стоит отметить, что ток, потребляемый этой обмоткой, может достигать 10A.
Другая вторичная обмотка высоковольтного трансформатора, а также схема удвоения напряжения на высоковольтном конденсаторе (H.V.Capacitor) и диоде (H.V. Diode) создаёт постоянное напряжение в 4kV для питания анода магнетрона. Ток анода небольшой и составляет где-то 300 мА (0,3A).
В результате электроны, эмитированные накальной обмоткой, начинают своё движение в вакууме.
Особая траектория движения электронов внутри магнетрона создаёт СВЧ-излучение, которое и нужно нам для нагрева пищи. СВЧ-излучение отводится из магнетрона с помощью антенны и поступает в камеру через отрезок прямоугольного волновода.
Вот такая несложная, но весьма изощрённая схема является неким СВЧ-нагревателем. Не стоит забывать, что сама камера СВЧ-печи является элементом данного СВЧ-нагревателя, так как представляет, по сути, резонатор, в котором возникает электромагнитное излучение.
Кроме этих элементов в схеме микроволновой печи есть множество защитных элементов (см. термовыключатели KSD и аналоги.). Так, например, термовыключатель контролирует температуру магнетрона. Его штатная температура при работе где-то 80° – 100°C. Этот термовыключатель крепится на магнетроне. По умолчанию он не показан на упрощённой схеме.
Другие защитные термовыключатели подписаны на схеме, как OVEN THERMAL CUT-OUT (устанавливается на воздуховоде), GRILL THERMAL CUT-OUT (контролирует температуру гриля).
При наличии нештатной ситуации и перегреве магнетрона термовыключатель размыкает цепь, и магнетрон перестаёт работать. При этом термовыключатель выбирается с небольшим запасом — на температуру отключения 120 – 145°C.
Весьма важными элементами микроволновой печи являются три переключателя, которые встроены в правый торец камеры СВЧ-печи.
При закрытии передней дверцы два переключателя замыкают свои контакты (PRIMARY SWITCH – главный выключатель, SECONDARY SWITCH– вторичный выключатель). Третий – MONITOR SWITCH (контрольный выключатель) – размыкает свои контакты при закрытии дверцы.
Неисправность хотя бы одного из этих выключателей приводит к неработоспособности микроволновки и срабатыванию плавкого предохранителя (Fuse).
Чтобы снизить помехи, которые поступают в электросеть при работающей СВЧ-печи, имеется сетевой фильтр – NOISE FILTER.
Дополнительные элементы микроволновки.
Кроме базовых элементов конструкции, микроволновка может быть оснащена грилем и конвектором. Гриль может быть выполнен в виде нагревательного элемента (ТЭН’а) или инфракрасных кварцевых ламп. Эти элементы микроволновки очень надёжны и редко выходят из строя.
Нагревательные элементы гриля: металло-керамический (слева) и инфракрасный (справа).
Инфракрасный нагреватель представляет собой 2 последовательно включенные инфракрасные кварцевые лампы на 115V (500 – 600W).
В отличие от микроволнового нагрева, который происходит изнутри, гриль создаёт тепловое излучение, которое разогревает пищу снаружи внутрь. Гриль разогревает пищу медленнее, но без него невозможно приготовить поджаристую курочку .
Конвектор — это, не что иное, как вентилятор внутри камеры, который работает в паре с нагревателем (ТЭН’ом). Вращение вентилятора обеспечивает циркуляцию горячего воздуха в камере, что способствует равномерному прогреву пищи.
Про фьюз-диод, высоковольтный конденсатор и диод.
Элементы в цепи питания магнетрона обладают интересными свойствами, которые нужно учитывать при ремонте микроволновки.
Так, по умолчанию, высоковольтный конденсатор (H.V.Capacitor) имеет встроенный резистор.
Он служит для разряда конденсатора. Дело в том, что конденсатор находится под высоким напряжением (2 кВ), и поэтому после выключения СВЧ-печи требуется его разряд. Это предохранительная мера. Также бывает, что резистор внутри конденсатора перегорает, и конденсатор не разряжается. Поэтому перед проведением ремонта микроволновки рекомендуется принудительно разряжать конденсатор на корпус.
Внешний вид высоковольтного конденсатора 1.0µF * 2100V AC.
Высоковольтный диод (H.V. Diode) является комбинированным элементом и состоит из целой вереницы последовательно включенных диодов. Это позволяет составному диоду работать с высоким напряжением. Но в этом кроется подвох. Дело в том, что протестировать такой диод стандартной методикой проверки не удастся. Мультиметр просто не сможет «открыть» такой диод из-за того, что пороговое (прямое) напряжение отпирания (VF) диодов складываются. В результате в прямом и обратном включении высоковольтный диод будет иметь высокое сопротивление.
Так, например, для диода HVR-1X3 максимальное прямое напряжение (VF) составляет 11V. Если учесть, что обычно падение напряжения на переходе в прямом включении (VF) у кремниевых диодов составляет 1 — 1.1V, то получается, что в диоде HVR-1X3 ориентировочно смонтировано 10 последовательно включенных диодов.
Максимальное постоянное обратное напряжение такого диода 12kV!
В некоторых микроволновых печах параллельно высоковольтному конденсатору устанавливается фьюз-диод (защитный диод). По сути, фьюз-диод – это двунаправленный высоковольтный супрессор. Он служит для того, чтобы защитить конденсатор от завышенного рабочего напряжения, которое чревато выходом из строя последнего. Но на практике чаще бывает так, что он сам и выходит из строя. В таком случае ремонтники просто удаляют его из цепи, как ненужный аппендикс. На деле оказалось, что микроволновки прекрасно работают и без такого диода.
Для тех, кто желает более детально разобраться в устройстве СВЧ-печей, подготовлен архив с сервисными инструкциями микроволновых печей (Daewoo, SANYO, Samsung, LG). В инструкции приведены принципиальные схемы, схемы разборки, рекомендации по проверке элементов, список комплектующих.
Микроволновка работает но не греет
2021-03-19 Ремонт 2 комментария
Поговорим сегодня о бытовом технике. А именно о довольно распространенной проблеме, встречающейся в микроволновых печах, суть которой заключается в том, что микроволновка работает, но не греет.
Причем причина данной неисправности нередко заключается в несоблюдении правил эксплуатации. Во время работы в микроволновке находится металлический предмет, например вилка или ложка, или случайное включение пустой микроволновки, или разогрев еды в не предназначенной для этого посуде — в результате всех этих действий СВЧ печь может выйти из строя. Хотя конечно не обязательно данная проблема возникает только по вине пользователя, может сказываться продолжительный срок эксплуатации, какие-то другие факторы.
Но в любом случае необходим ремонт СВЧ печи, благо алгоритм поиска неисправностей данной проблемы достаточно прост и по силам любому домашнему мастеру, который дружит с электричеством.
Для начала разберемся, как вообще осуществляется процесс разогревания в микроволновой печи.
Процесс нагрева в СВЧ печах
Нагревание происходит под действием микроволн. Источником этих микроволн является магнетрон — электровакуумный прибор, который генерирует сверхвысокочастотные колебания (СВЧ). В основе работы магнетрона лежит взаимодействие электрических и магнитных полей, результатом чего и является генерация СВЧ колебаний. Непосредственно с рабочей камерой для разогрева он соединен волноводом, отражающим СВЧ-излучение, который закрывается слюдяной пластиной, представляющей собой экран магнетрона.
Для охлаждения магнетрона используется вентилятор, который помимо этого, еще и нагнетает теплый воздух в рабочую камеру, что ускоряет нагрев.
Через волновод микроволны попадают в камеру, воздействуя на молекулы, а точнее на дипольные молекулы, которых с избытком в пище. Под действием излучения эти молекулы выстраиваются в строгом порядке относительно силовых линий поля, положительные в одну сторону, отрицательные в другую. При изменении направления силового поля на противоположное, молекулы переворачиваются на 180°. При перемещении, молекулы трутся друг о друга, выделяя при этом тепло, которое и является источником нагрева пищи. Сначала происходит поверхностный нагрев слоя, затем под действием теплопроводности тепло передается вглубь пищи, таким образом прогревая весь объем.
Для равномерного нагрева пищи внутри камеры установлена вращающаяся подставка, которая приводится в движение мото-редуктором.
Частота микроволн в СВЧ печах составляет 2450 МГц, каждый герц равен одному колебанию в секунду. Смена поля происходит 2 раза за период одной волны.
Электрическая часть схемы
Прежде, чем перейти к диагностике неисправности печи, рассмотрим электрическую схему цепи, которая непосредственно влияет на работу магнетрона.
Как мы уже выяснили, в первую очередь за нагрев отвечает магнетрон, который по сути является вакуумным диодом, анодной частью которого является вакуумная трубка с секциями. По бокам расположены магниты, создающие магнитное поле и задающие траекторию движения частицам. В центральной части магнетрона расположен катод, внутри которого находится накальная обмотка (подогреватель), отвечающая за эмиссию электронов.
Для работы анода магнетрона необходимо высокое напряжение (2-4 кВ), которое обеспечивает повышающий высоковольтный трансформатор.
На первичную обмотку трансформатора приходит переменное напряжение сети 220 В. С одной из вторичных обмоток подается напряжение накальной обмотки 3,15 В. Другая вторичная обмотка, совместно с умножителем напряжения, выполненным на высоковольтных конденсаторе и диоде, выдает постоянное напряжение для питания анода магнетрона.
Диод в схеме включен таким образом, чтобы его закрытие происходило при положительном полупериоде. В это время конденсатор начнет заряжаться. При отрицательном полупериоде происходит открытие диода и напряжение подается на магнетрон вместе с накопленным зарядом конденсатора.
Для быстрого разряда конденсатора, в его корпусе встроен высокоомный резистор. Также в схеме есть фьюз-диод (предохранительный диод), который служит для защиты трансформатора от перегрева в случае короткого замыкания в магнетроне или чрезмерном повышении напряжения на конденсаторе.
Также в цепи питания магнетрона находится предохранитель, который обеспечивает защиту трансформатора.
Помимо этих элементов, имеется термопредохранитель, контролирующий температуру магнетрона. При перегреве магнетрона он размыкает цепь, и магнетрон перестаёт работать.
Итак, мы выяснили, что переменное напряжение 220 В приходит на первичную обмотку высоковольтного трансформатора, а так как трансформатор повышающий, на вторичной обмотке напряжение уже составляет 2 кВ. Затем происходит умножение напряжения в два раза, благодаря конденсатору и диоду. С 2 кВ напряжение увеличивается до 4 кВ и подается на анод магнетрона.
Диагностика
Переходим к проведению диагностики нашей силовой цепи. О конкретных моделях говорить не стоит, по той причине, что все микроволновые печи построены по одной и той же схеме.
Вскрываем корпус, берем мультиметр и проверяем приходит ли напряжение на первичную обмотку высоковольтного трансформатора. Если напряжение в норме, идем дальше, если напряжение ниже 200-210 В, значит причина может быть в этом. При таком напряжении магнетрон не может войти в резонанс, ему не хватает напряжения, и он начинает слабо греть. А если напряжение еще ниже, то может вообще не работать.
Если дело не в пониженном напряжении, отключаем микроволновку от сети и приступаем к проверке высоковольтной части. Но перед этим, не забываем разрядить высоковольтный конденсатор.
В первую очередь обращаем внимание на надежность контактных соединений, так как именно это нередко становится причиной неисправности. Далее ставим мультиметр на прозвонку и проверяем предохранитель, расположенный обычно в пластиковом корпусе.
Если предохранитель целый проверяем по очереди высоковольтный диод и высоковольтный конденсатор.
Высоковольтный диод состоит из большого количества обычных диодов, соединенных последовательно. То есть проверить его, как обычный диод не получится. Но примерно диагностировать его можно. Выставляем мультиметр на сопротивление 200 МОм (правда не каждый мультиметр способен измерять в этом диапазоне). Если в одну сторону показания будут 10 МОм — 20 МОм, или хотя бы приблизительно в этих пределах, а в другую бесконечность, значит можно считать диод исправным. Наиболее часто встречающаяся неисправность у высоковольтных диодов — пробой.
Проверяем высоковольтный конденсатор. Ставим предел на приборе 20 МОм и измеряем. Исправный конденсатор должен заряжаться до тех пор, пока не достигнет предела примерно 10 МОм, то есть сопротивление резистора, который в нем стоит. Кроме короткого замыкания конденсатор еще может уйти в обрыв, но это лучше проверить заменой, просто поставив другой конденсатор.
Далее прозваниваем обмотки трансформатора, предварительно сняв клеммы с выводов обмоток. Сопротивление первичной обмотки должно быть примерно от 2 и до 4,5 Ом. Сопротивление, менее 2 Ом свидетельствует, что у трансформатора межвитковое замыкание первичной обмотки. Если сопротивление стремится к бесконечности — обрыв обмотки. Замеряем вторичные цепи. Сопротивление накальной обмотки составляет от 3 до 8 Ом, высоковольтной — от 140 до 350 Ом.
Кстати, одним из признаков неисправности трансформатора, является сильный гул при включении микроволновки.
Следующим на очереди магнетрон, источник наиболее частых проблем. К основным неисправностям магнетрона относятся:
- Пробой колпачка антенны, которая является СВЧ-излучателем. Данную неисправность легко диагностировать визуально. Причина этого часто заключается в прогоревшей крышке волновода, которая представляет собой слюдяную прокладку. Слюда очень хорошо проводит микроволны, но при этом хорошо впитывает различные жиры, масла и т.д. Наступает момент, когда их скапливается так много, что возникает электрическая дуга и пробой, так как напряженность электрического поля в месте их наибольшего скопления резко возрастает.
- Следующая неисправность — разгерметизация, вследствие чего магнетрон уже не генерирует СВЧ. Виной здесь обычно служит коррозия меди, в первую очередь из-за перегрева.
- Далее идет выход из строя проходных конденсаторов фильтра магнетрона вследствие пробоя. Это происходит из-за того, что питающее напряжение поднимается выше предельно допустимого напряжения, на которое рассчитан конденсатор. Происходит пробой конденсатора на корпус, и он становится на короткое замыкание. Диагностировать данную проблему можно с помощью мультиметра. Одним щупом касаемся вывода питания магнетрона, другой на корпус. Если мультиметр показывает бесконечность, значит конденсаторы исправны. В случае, если есть хоть какое то сопротивление, значит, один из конденсаторов пробит или в утечке.
- Обрыв вольфрамовой нити накала. Данную проблему также легко диагностировать. Мультиметром измеряем сопротивление выводов магнетрона. Должно быть меньше 1 Ом.
- И наконец, еще одна проблема связана с потерей эмиссии. В процессе долгой работы область катода истощается и он теряет способность излучать электроны в рабочую область, из-за чего магнетрон начинает греть все хуже и хуже.
В принципе, это вся диагностика. Элементов, которые находятся в высоковольтной цепи немного и проверка позволит выявить неисправный. Единственно, что еще раз хочу напомнить — будьте осторожны при ремонте, не забывайте про разряд конденсатора.
Как проверить конденсатор в микроволновке
Конденсаторы в микроволновой печи служат для выравнивания скачков напряжения, возникающих в сети во время работы. Это имеет очень важное значение для правильного функционирования микроволновки.
Конденсатор состоит из двух изолированных проводников, которые помещаются в металлический корпус. Во время включения они взаимодействуют в цепи. Благодаря этому, происходит накопление электроэнергии.
В момент когда для работы печи может не хватить напряжения, которое агрегат получает из электросети, накопленная за время работы энергия высвобождается. Тем самым предотвращается резкое повышение напряжения.
Детали различаются на основании максимальной емкости накапливаемой энергии.
Тип используемого в устройстве конденсатора зависит от самой микроволновой печи, её мощности и конструкции.
Проверка конденсатора
Если у вас возникла потребность проверить исправность данного элемента в микроволновой печи, подойти к этому делу нужно ответственно. Это позволит не повредить другую электронику, находящуюся в СВЧ.
Обычно проверкой занимаются при выявлении неисправности или же при наличии других сбоев в корректной работе микроволновки.
Ниже представлена инструкция о том, как выполнить проверку правильно и при помощи какого прибора ее лучше делать.
Как найти конденсатор в микроволновке
- При работе с конденсатором есть вероятность взаимодействия с высоким напряжением и это может быть очень опасно. Для того чтобы уберечь себя от возможного негативного воздействия тока, необходимо прежде всего выключить микроволновую печь из сети.
- Открутив заднюю крышку на приборе, необходимо снять закрывающую панель. В зависимости от конструкции печи, найти конденсатор будет нетрудно, достаточно примерно знать, как он выглядит. Обычно деталь находится около трансформатора.
- Независимо от того сколько времени устройство находилось без питания, необходимо обязательно разрядить деталь.
Важно. Конденсатор обладает способностью накапливать электричество. Чтобы не получить удар током даже после выключения печи, необходимо высвободить накопленную энергию.
Только после указанной выше операции можно начинать с ним работать.
Использование мультиметра для проверки
Для диагностики понадобится специальный прибор — мультиметр. В его функции входит тестирование различных электрических приборов или отдельных деталей.
Для проверки при помощи мультиметра прибор настраивается в режим омметра. Подготовленный к работе мультиметр подключают к конденсатору.
ВАЖНО: для корректного измерения необходимо установить на приборе максимально возможный предел.
Предел зависит от типа устройства, поэтому у каждого он свой.
После первого чтения показаний необходимо переставить щупы местами и проследить за динамикой изменения результата, отображённого на приборе.
Однако проверка данным методом происходит на низком показателе. Обычно на таком напряжении у высоковольтных конденсаторов, если они имеют утечку или пробиты коротким замыканием, поломка не определяется.
Для того чтобы избежать подобных неточностей, можно использовать мегаомметр с внешним источником высокого напряжения, равным рабочему показателю конденсатора.
Среди основных моделей мегаомметра, подходящих для подобной проверки, можно выделить такие, как:
- PU182.1 (500 В);
- PU186 (2500 В);
- KEW-3125 (5000 В).
Признаки исправного и неисправного конденсатора
Изначально признаками неполадок могут являться различные перебои в напряжении во время работы микроволновки, а также короткое замыкание.
При проверке мультиметром на основании показаний на дисплее во время контакта щупов можно определить, насколько хорошо работает конденсатор и есть ли в нём неполадки.
- Если во время проверки на дисплее отображается цифра один и показатели не изменяются — значит, в нём произошёл обрыв и его можно смело выбросить. Такие детали считаются неисправными.
- Если на дисплее отображается постоянное небольшое сопротивление, значит, произошла утечка, протёкший конденсатор тоже необходимо заменить.
- Если прибор покажет нулевое сопротивление и данные не будут расти, то конденсатор пробитый, то есть в нём произошло короткое замыкание.
- Наконец, если при контакте щупов показатель сопротивления является минимальным, но затем плавно повышается, вплоть до того момента пока на мультиметре не будет отображаться единица, это значит, что конденсатор исправен. Его спокойно можно применять в работе.
Таким образом, зная все вышеперечисленные нюансы при использовании мультиметра, можно без труда определить исправна деталь или подлежит замене.
Своевременная проверка таких ответственных деталей микроволновой печи поможет дольше сохранить её исправной.
Соблюдая все правила, порядок действий, а также обладая небольшими знаниями в электротехнике, определить проблему и устранить её не составит труда.



















