gaz1
С последней встречи с подконтрольными «ГАЗелями» прошел месяц, однако за это время отремонтировать наиболее пострадавшую при возгорании машину так и не удалось. Поэтому продукты по магазинам Москвы и области развозят оставшиеся четыре грузовика. Специалисты «Группы „ГАЗ“ пока не комментируют причину возникновения тех пожаров.
Оставшиеся в строю «ГАЗели» продолжают слегка разочаровывать перевозчика, преподнося ему неприятные сюрпризы. На одной из машин лопасти вентилятора зацепили радиатор системы охлаждения, отчего образовалась серьезная течь, и автомобиль встал на ремонт. Виновны в этом сразу несколько деталей: во-первых, износились резиновые подушки радиатора, отчего появилась сильная «болтанка»; второй причиной стала электромагнитная муфта вентилятора — из-за нее «пропеллер» вращался не параллельно, а с небольшим углом к радиатору.
В итоге пришлось заменить радиатор и перебрать некондиционную муфту. Другой головной болью стал термометр на щитке приборов, все время показывающий 90 градусов. Видимо, глядя на него, «электронный мозг» даже на холодном двигателе включает вентилятор системы охлаждения. Как обычно, подозрение пало на неисправный температурный датчик. Однако после его замены ситуация не изменилась — стрелка прибора все также стремится к ста градусам, и вентилятор вращается без продыху. Теперь перевозчику остается уповать на диагностику в одном из сервисных центров — причина странного поведения прибора может таиться только в электронном блоке управления.
Владимир Калашников, Главный механик ООО «Терра-Карат»
— Последнее время прочти на всех «ГАЗелях» с ульяновскими двигателями начались проблемы с электроникой. Вовремя не срабатывают электромагнитные муфты, отчего вырастает температура двигателя. Водителям приходится включать вентиляторы салонных отопителей, чтобы хоть как-то нормализовать температурный режим. Мы думаем, что проблемы в электронном блоке управления двигателем, так как замена температурных датчиков результатов не приносит.
liputrik.ru
Не заводится Газель ЕВРО 3
У клиентов часто возникает вопрос: почему не с двигателем ЗМЗ 40524 с нормами токсичности ЕВРО 3.
Как только автозавод на Волге начал оснащать свои автомобили двигателями с ЕВРО 3 тут же возникли первые проблемы:
не заводится на холодную
,
проблемы с пуском на горячую, работа с перебоями, плавают обороты и т.д. Первоначально блоки управления двигателем МИКАС 11ЕТ оснащались программным обеспечением версии 22, которая себя совсем не оправдала. Потом вышла версия прошивки 32, затем версия 52. Сейчас на большинстве стоит 32 прошивка.
Не заводится на холодную
Начнем рассматривать проблемы ЕВРО 3 с «холодного старта» автомобиля «Газель», оснащенного двигателем ЗМЗ 40524 с электронной педалью газа.
Попытка завести «Газель» с утра превращается в пытку для водителя. Она, либо заводится с первого раза – просто повезло – либо схватывается и тут же глохнет, либо завелась, но обороты скачут от 400-500 до 1500-2500, и последний вариант – можно посадить аккумулятор, но не завести
В большинстве случаев причины таковы:
В первоначальный момент запуска пусковой ток стартера настолько велик, что происходит падение напряжения на аккумуляторе до 5-6 Вольт. Это длится какие-то несколько миллисекунд, но этого достаточно, чтобы произошел сброс блока управления двигателем. Если установлен дистанционный выключатель массы, то это увеличивает шансы не завестись. Сброс ЭБУ приводит к тому, что в нем прописывается ошибка 1602 (сброс клеммы 30 или первое включение контроллера), при этом сбрасываются все адаптационные настройки, и блок управления начинает заново проверять все датчики, в том числе и узел дроссельной заслонки (характерный звук перемещения заслонки), отключая при этом подачу топлива.
Лечение:
Заменить аккумулятор на более мощный (не менее, чем 72-75 А/ч);
Зачистить и хорошо затянуть все силовые провода (Клеммы на аккумуляторе, масса кузова и двигателя, все соединения на дистанционном выключателе массы, силовой провод на стартере)
По возможности поменять стартер старого образца на более современный, с планетарным редуктором (при том же крутящем моменте он потребляет меньший ток)
Следующая проблема – запуск горячего двигателя.
Из-за неисправного регулятора давления топлива, находящегося в модуле бензонасоса и из-за того, что топливная рампа является тупиковой, в ней может образовываться паровая пробка. Она выталкивает топливо обратно в бензобак. При попытке запуска пары через форсунки попадают в камеру сгорания, что приводит к нестабильности работы двигателя. Приходится несколько раз повторять запуск, пока пары бензина полностью не заменятся полноценным топливом.
Решение проблемы:
Несколько раз просто включать зажигание с паузой порядка 20 секунд, не заводя, чтобы бензонасос прокачал паровую пробку. Возможно, также стравить пробку через штуцер топливной рампы.
Еще одна неприятность.
Неустойчивый холостой ход, провалы, плохая тяга.
Виновники:
Неправильно отрегулированные концевики педалей тормоза и сцепления. Если врет датчик положения педали сцепления, то ЭБУ не понимает, включена трансмиссия или нет и, неправильно отдает команды исполнительным механизмам. Если же проблемы с датчиком положения педали тормоза, блок управления «думает», что происходит торможение двигателем и прикрывает дроссельную заслонку, в некоторые моменты практически полностью, следовательно, обороты падают, и двигатель практически глохнет.
Для правильной регулировки лучше всего использовать автосканер. Я пользуюсь «Сканматиком». На экране прекрасно видно, когда включаются-выключаются датчики. Регулировать нужно таким образом, чтобы не было ложных срабатываний при езде по нашим «супердорогам». Сканером также можно проверить работу датчиков положения педали газа, из-за «дребезга» которых, также возникают проблемы, связанные с подергиванием на ходу.
Существует еще одна беда
которая присутствует на всех «Газелях», за исключением, пожалуй, некоторых представителей цельнометаллических кузовов. Это жгут и разъемы задних фонарей, в частности задняя его часть, где проводка раздваивается. Если на простых авто (до ЕВРО 3) это выражалось в том, что не работали лампы в задних фонарях или некоторые из них; при замыкании горели предохранители, а то и сам жгут плавился, особенно, когда применялись «двух- или пятирублевые предохранители». Электрики и «Газелисты» меня поймут. Для ЕВРО 3 это проблема заключается в том, что при перегорании ламп «стопов», обрыве и замыкании в проводке информация от педали тормоза искажается, что естественно сказывается на поведении двигателя. При обрыве цепи стоп-ламп возникает ошибка, сообщающая о том, что первый датчик педали тормоза не работает. Хотя датчик исправен, проводка от датчика до блока управления в прекрасном состоянии. При вскрытии и проверке ЭБУ все оказывается в порядке, а двигатель продолжает работать по аварийной программе. Кажется все, что можно проверено и перепроверено, остается либо менять ЭБУ, либо машину. А оказывается виноваты в этом перегоревшие лампы стоп-сигнала. Такая же чехарда происходит, если в жгуте задних фонарей замкнуты между собой провода стопов. габаритов или поворотов. Включил поворотник или габариты — двигатель молниеносно отреагировал, если не заглох, то повел себя как-то не так.
Для информации: При отпущенной педали тормоза: на 73 ножке (розовый провод) ЭБУ — присутствует +12В, а 72 ножка (бело-фиолетовый провод) соединена с массой через лампу стоп-сигнала. При нажатой педали тормоза: 73 вывод отключается от +12В, на 72 – напряжение бортсети.
Лечение только одно: следите за машиной!!!!!
После замены шкива коленвала с цельнометаллического на демпферный, стали периодически попадаться случаи отслаивания резинового демпфера от металла шкива. При этом машина «тупила», двигатель не раскручивался свыше 3000 оборотов. Причем это проблема не только «Газелей», но и представителей «ВАЗа». Поможет только замена шкива.
Еще одна особенность МИКАС 11ЕТ – есть возможность управления кондиционером. И если на автомобиле нет «кондея», то провода, которые должны подключаться к соответствующим точкам, остаются висеть в «воздухе». И, особенно в сырую погоду, могут создавать наводки на ЭБУ, имитируя команду на включение кондиционера. При этом двигатель поднимает обороты примерно до 1500 на холостом ходу и держит их более высокими при движении. Дефект крайне редкий.
На этом, пожалуй, закончим с проблемами, связанными с заводкой
, хотя тема остается открытой……
Также на эту тему вы можете почитать:
«Голос» моей машины
Audi A6 Замена вентилятора отопителя
Замена радиатора отопителя на Chevrolet Lanos.
Как поменять топливные форсунки (бензин)
pict
Специалистами «Группы „ГАЗ“ совместно с фирмой „ТЕМП АВТО“ уже проведена разработка, поставка и установка газобаллонного оборудования на двигатели УМЗ-4216. Все компоненты сертифицированы по ECE67R-01 и одобрены к применению не только в России, но и в Европе. Газовая установка AGIS сохраняет возможность эффективной работы двигателя и на бензине. При этом токсичность выхлопа существенно снижается. Кроме того, двигатели на сжиженном газе, выгодны еще и с точки зрения надежности: на 30–35% повышается ресурс, на 40–50% увеличивается периодичность замены масла, почти в 1,5–1,7 раза снижаются затраты на топливо, в 2 раза можно увеличить пробег на одной заправке — при переменном использовании газа и бензина.
Как Снять Топливную Рампу На Умз 4216
Как умы 4216 полоскания форсунки без снятия двигателя
Статьи по Теме
Жалоба в судебную коллегию по административным делам областного суда
Как вернуть 13 процентов на автокредитование
Сверните под кирпич на дороге с односторонним движением, нарушая движение
С их помощью вы можете найти:
- Какой поток топлива проходит через форсунки при работающем двигателе;
- Как выглядит «факел», распыляющий топливо из форсунки при работающем двигателе. Если топливо проходит через форсунку неравномерно, есть большая вероятность, что вам нужно будет его почистить.
Проверка механических параметров форсунки является более понятным способом диагностики этого компонента бензинового двигателя. Как чистить форсунки, не снимая двигатель. Если форсунки двигателя имеют неисправность, они могут быть грязными. Чтобы исправить ситуацию, не снимая форсунки с двигателя, вы можете:
- Используйте специальные моющие присадки, которые заливаются в топливный бак;
- Чтобы содержать форсунки двигателя в чистоте, опытные водители советуют чистить их каждый месяц.
отказано в доступе
Отсоедините крепежные болты и снимите насадки.
- Новые механизмы полностью изменены.
- сопло еще не разработало свой собственный ресурс;
- на его теле нет следов деформации и трещин;
- видимых повреждений от брызг нет.
Эти случаи следующие:
Ремонт детали включает в себя мойку и замену резиновых уплотнений.
Что касается необходимости ремонта, владельцы автомобилей Газель не могут сразу взглянуть. Продувка и очистка Поверхность насадок обычно собирает грязь или отложения, которые не рекомендуется удалять тканью вручную. Во-первых, это должно взлетать Резиновое кольцо от элемента. оно обычно очень изношенное. Затем распылитель отделяют от корпуса и помещают в ацетон на 1-2 часа.
Проверка и замена форсунок в газеле автомобиля
Форсунки подбираются в зависимости от мощности двигателя. Элементы, установленные на двигателях GAZelle, могут быть открытыми и закрытыми, также с несколькими отверстиями.
В закрытых устройствах топливный насос отделен от камеры иглой. Открытого разделения нет. потому что они наименее продуктивны и имеют наименьший ресурс как закрытый. Работа части состоит из четырех циклических шагов.
- Механизм клапана закрыт. форсунка не работает.
- Клапан открывается слегка. топливо поступает в полость устройства.
- Клапан открывается полностью. происходит быстрая подача топлива.
- Клапан закрывается. впрыск топлива прекращается.
Бензиновые форсунки, сальники.
Форсунка форсунки автомобиля играет решающую роль в стабильности ее работы. и затем топливная рампа от UMZ-4216 на конце UMP-4216, как отмечено. Распредвал UMZ 4216 купить Поместите двигатель на соединительную рампу и заправьте топливом. Это в принципе не меньше, чем свеча зажигания или поршень, потому что без грамотного впрыска топлива невозможно взорваться в данный момент. UMZ 4216 газовые качели; машина работает как по маслу, но на газе только на топливе. Сопло впрыскивает топливо в камеру сгорания двигателя до определенной степени, что позволяет поддерживать очень экономичный и эффективный режим работы двигателя внутреннего сгорания.
Электрический блок управления контролирует количество топлива, подаваемого через форсунку.
Симптомы неисправности форсунки Если есть проблемы со стабильностью двигателя, то абсолютно уверен, что форсунка виновата или по крайней мере какой-то другой компонент не может присутствовать. Необходимо проверить катушку зажигания, свечи зажигания, сжатие цилиндров и другие компоненты, ответственные за детонацию в камере сгорания, включая форсунки.
You may also like
- Как Регулировать Клапана На Москвиче 412
Клапаны. Москвич 412В этой теме 0 ответов, 1 участник, последнее изменение АЗЛК 4 года, 4 месяца. инвертируется.1. Общая характеристика клапанов у москвичей (АЗЛК и ИЛ) 4122. Как о… - Ремонт Тнвд Ситроен С5 Hpi
В этой статье мы расскажем, как разобрать, очистить и заправить топливный насос высокого давления без посторонней помощи. В частности, эта деталь часто связана с трудностями Citroe…
- Плохо Заводится На Холодную Ваз 2110
Патриоты отечественного автопрома часто сталкиваются с проблемой: инжектор ВАЗ 2110 нуждается в долгом запуске. Мы сделаем предварительный заказ немедленно. в большинстве случаев …
- Где Находится Реле Свечей Накала Мерседес Спринтер
Всем привет. Я создаю тему для ремонта реле реле. И сами проверяют свечи из первоисточника. Было найдено несколько источников. Извините за перевод, 2-я ссылка, компьютерный перевод…
- Установка Сигнализации Калина 2 Люкс
обсуждать Установка системы безопасности Шерхан Лада Калина 2 Все точки подключения находятся на монтажном блоке, в драйверах, дверях и снаружи приборной панели….
- Кашкай 2020 Механика Тест Драйв
Пробная поездка Ниссан кашкай 2020 в новом органе: видеоОдним из основных показателей современного кроссовера является безопасность его пассажиров, что было замечено японским автоп…
Снятие и сборка форсунки
Автомобильное видео On-Lan: Поддержка канала: 5469 6200 2019 7610 (Сберегательная банковская карта)
Чистка сопла ГАЗель 4216
Чистка ГАЗЕЛЬ навесного оборудования 4216
.
403 туфа запрещен в доступе
Приборы для двигателя ЗМЗ-405 Двигатели ЗМЗ-405 изначально были оснащены форсунками ГАЗ. Однако из-за их быстрого отказа в будущем производители перешли на зарубежные аналоги. Как сделать это самостоятельно, чтобы снять передний или задний бампер на Hyundai Solaris Немногие современные автомобили оснащены металлическими бамперами, потому что они в основном производители. ЗМЗ-405 работает на бензине и неприхотлив с точки зрения качества топлива. Выключите топливную рампу, когда насос переключится на Газель Бизнес UMZ 4216 с. Поэтому часто используются более дешевые сопла Bosch или Siemens, но их более дешевые аналоги. Да, модели ZMZ Deka довольно популярны.
В ZMZ-405 часто используются более дешевые сопла Bosch или Siemens, а не их оригинальные аналоги. Элементы для двигателя Cammins Дизельный двигатель Cammins довольно требователен к качеству топлива.
В случае низкого качества устройства быстро выйдут из строя.
Поэтому владельцам GAZelle Next и GAZelle Business нужно только выбирать оригинальные механизмы. Ресурс таких форсунок составляет от 120 до 160 тыс. Км.
Форсунки: как проверить и почистить, не снимая двигатель
Проверка форсунок без снятия двигателя на слух Если вы считаете себя достаточно опытным в диагностике неисправностей автомобиля, вы можете попытаться определить проблемы с форсункой с точки зрения звука.
Когда двигатель работает, внимательно слушайте звуки, издаваемые блоком цилиндров.
Тупой звон указывает на проблемы с форсунками двигателя. Как очистить будильник. Вы можете установить сигнал для его отключения. В таких случаях рекомендуется чистить форсунки. Проверка механических свойств форсунки Проверка механических свойств форсунок сама по себе довольно сложна, учитывая необходимость специального оборудования для таких процедур. Многие мастерские имеют специальные стенды для проверки механических свойств форсунок.
Ремонт и замена форсунок на «газелях» двигателями zmz-405 и cammins
Корпус форсунки очищается промывочной жидкостью карбюратора. Черная материя была ничем иным. Попробуйте еще раз снять клемму (-) на 5 2. Сопло промывается изнутри и снаружи. После очистки все элементы высушиваются и собираются. Замена резинового уплотнения Уплотнительное кольцо необходимо для обеспечения стабильности положения механизма двигателя. Если кольцо изнашивается, механизм начинает стучать.
Герметик обычно заменяется насадками. Это делается следующим образом.
- Очистите разъем топливной рампы на топливе.
- Кольцо смонтировано и смазано бензином.
- Сама деталь подключается к гнезду сиденья.
Видео: диагностика и ремонт форсунок. На автомобили ГАЗель последних поколений производитель устанавливает довольно надежные форсунки.
Тем не менее, они также имеют ограниченный срок службы, который может быть увеличен при использовании качественного топлива. Россия и за рубежом. и затем топливная рампа от UMZ-4216 на конце двигателей UMZ-4216 как. Как убрать заднее сиденье Люди рассказывают мне плизас, какие чехлы для Kia Rio самые лучшие. Это во многом определяется надежностью двигателя, работа которого, в свою очередь, зависит от состояния и качества топливных форсунок. содержание
- 1 Типы сопел ГАЗель
- 1.1 Приборы на двигателе ЗМЗ-405
- 1.2 Элементы для двигателя Cammins
Виды автозапчастей ГАЗель. Форсунки и насос являются основными элементами топливной системы автомобилей GAZelle.
You may also like
- Замена Топливного Фильтра На Вольво Хс90 Дизель
Топливный фильтр предназначен для отделения топлива от загрязнений (ржавчины, жира, смолы, конденсата), которые наносят ущерб нормальной работе программ учета топливной системы и р… - Замена Ремня Генератора Приора Эур
Замена ремня генератор с кондиционером на приореЧасто на улицах и дорогах наших городов можно увидеть следующую картину: машина свистит, когда выезжает. Этот свисток является типич…
- Ремонт Задней Двери Ваз 2114
Основы сборки и разборки входных дверей ВАЗ 2113-2114-2115 Входная дверь энергетического окна 1. оконная ручка 2. облицовка 3. розетка 4. прокладка 5. механизм стеклоподъемника 6. …
- Снятие Штатной Магнитолы Лада Приора
Конечно, одной из самых узнаваемых моделей отечественных автомобилей сегодня является Lada Priora. Его надежность и доступная цена привлекли внимание многих будущих и нынешних авто…
- Установка Двигателя От Приоры На Ваз 2114
Двигатель поднимается как мотор. 2112 или 21124, потому что он не имеет существенных отличий от их характеристик.1. Снимите крепление, приемник, рампу форсунки и выпускной коллекто…
- Bmw 530i E39 Технические Характеристики
Технические характеристики BMW 530i e39Название производителя эта машина.Детали серии, к которой принадлежит автомобиль.Название модели автомобиля.Идентификационный код модели.Поко…
Как умы 4216 полоскания снятие форсунок с двигателя
Владельцы GAZelle Next и GAZelle Business должны установить оригинальные вложения. Диагностика и ремонт форсунок ГАЗель. Замена предметов очень проста. Предпосылками для замены являются:
- сложность запуска холодного двигателя;
- нестабильная работа двигателя, рывки и пикирование при движении;
- снижение мощности двигателя;
- черные выхлопы появляются, когда педаль акселератора резко нажата.
Эти симптомы могут сопровождаться стуком в одну из насадок. Внезапные грохочущие звуки исходят из зазора между распылителем и двигателем. Определить, какой элемент стучит, довольно легко.
- Запустить двигатель.
- Разогрей его и жди стука.
- Отсоедините жгуты от каждой части последовательно.
Как умы 4216 полоскания форсунки без снятия двигателя
Снимите жгут проводов инжектора с топливной рампы. С помощью ключа «13» ослабьте стопорную гайку рампы на переднем кронштейне головки цилиндров.
. и снимите пружинную шайбу, расположенную под гайкой. Снимите болт, крепящий рампу с отверстий рампы и рычага.
Аналогичным образом открутите гайку и снимите болт, который крепит рампу к заднему кронштейну головки цилиндров.
Тянуть Топливная рампа вдоль осей форсунок и, преодолевая сопротивление уплотнительных колец форсунок, вынуть форсунки из отверстий головки цилиндров.
Возьми это Топливная рампа с насадками. Как снять приборную панель спидометра на Daewoo Lanos Изменение внешнего вида того, как сделать стрелку спидометра на комбинации приборов, является одним из способов изменения подсветки шкалы. Он должен был заменить топливную рампу, поставить рампу на UMZ 4216. Снять форсунку.
. С помощью крестообразной отвертки ослабьте винт, которым крепится зажимная пластина. и удалите полоску из паза корпуса сопла.
Снимите наконечник форсунки с топливной трубки.
Снимите резиновые уплотнения, вытянув тонкую шлицевую отвертку.
Источник
Обслужить ульяновские двигатели можно на станции
При применении ГБО немаловажным фактором снижения стоимости владения является и возможность точного учета и контроля над расходом горюче-смазочных материалов. Запас хода автомобиля на газе при полной заправке — не менее 400 километров. Заводская гарантия распространяется на данный вид продукции сертифицированных компаний-партнеров на срок 24 месяца либо 60 000 км пробега. Стоимость представленного образца с оборудованием Agis — 449 800 рублей.
В газовую установку Agis входят агрегаты:
- редуктор давления Tomasetto
- фильтр жидкой фазы Tomasetto
- фильтр газовой фазы Agis LPG
- рампа газовых форсунок Valtek
- ЭБУ газовый Agis OBD CAN
- переключатель вида топлива Agis
- выносное заправочное устройство Atiker
- мультиклапан Atiker
- баллон автомобильный газовый БАЖ 130–400 ООО «БАЛСИТИ» или баллон на 130 литров
- датчик абсолютного давления газа Agis
АЛЕКСЕЙ СЕМЕНОВ Директор по гарантийным вопросам, Группа , Москва.
Официальный дилер УАЗ, ГАЗ, BAW — Сейчас мы обслуживаем до 10 машин в день и по опыту можем сказать, что ульяновцы убрали практически все детские болезни двигателей УМЗ-4216. Благодаря этому ресурс этих двигателей до капитального ремонта может достигать 500 тысяч километров, но при условии применения качественного масла.
Схема электрооборудования автомобиля Газель
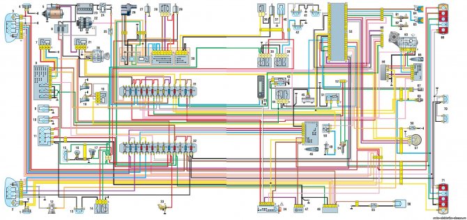
Схема электрооборудования автомобилей Газель с двигателями УМЗ-4216, ЗМЗ-40522: 1- левый боковой указатель поворота; 2 — левая блок-фара; 3 — правая блок-фара; 4 — правый боковой указатель поворота; 5 — стартер; 6 — блок предохранителей (в моторном отсеке); 7 — реле блок-фар; 8 — центральный переключатель освещения; 9, 10 — плафоны освещения грузового салона (для автофургонов); 11 — плафон освещения передней части кабины; 12 — электродвигатель стеклоомывателя; 13 — плафон освещения задней части кабины (для автомобилей с двумя рядами сидений); 14 — выключатель плафон освещения задней части кабины (для автомобилей с двумя рядами сидений); 15 — плафон платформы (ГАЗ-3302,-33021,-33027); 16 — выключатель зуммера (ГАЗ-3302,-33021,-33027); 17 — зуммер сигнала водителю (ГАЗ-3302,-33021,-33027); 18 — звуковые сигналы; 19 — реле звуковых сигналов; 20 — выключатель зажигания; 21 — реле стартера; 22 — генератор; 23 — аккумуляторная батарея; 24 — выключатель аккумуляторной батареи; 25 — кнопка дистанционного выключателя аккумуляторной батареи; 26 — электропривод крана отопителя; 27 — электронасос дополнительного отопителя; 28 — резистор электровентилятора отопителя; 29 — электродвигатель вентилятора отопителя; 30 — панель управления отоплением и вентиляцией (1 — выключатель крана отопителя; 2 — лампа подсветки панели управления отоплением и вентиляцией; 3 — реле; 4 — выключатель элетровентилятора основного отопителя; 5 — выключатель электровенитилятора и электронасоса дополнительного отопителя); 31 — верхний блок предохранителей (в салоне); 32 — нижний блок предохранителей (в салоне); 33 — подкапотная лампа; 34 — выключатель аварийной световой сигнализации; 35 — радиоприемник; 36 — резистор электродвигателя дополнительного отопителя; 37 — электродвигатель дополнительного отопителя; 38 — выключатель плафонов освещения салона (правая сторона); 39 — выключатель плафона освещения салона (левая сторона); 40 — плафон освещения подножки (для автобусов); 41 — плафоны освещения салона (правая сторона); 42 — плафон освещения салона (левая сторона); 43 — прикуриватель; 44 — выключатель проверки исправности сигнализаторов; 45 — датчик аварийного падения уровня тормозной жидкости; 46 — правый подрулевой переключатель (переключатель указателей поворота и света фар); 47 — реле указателей поворота; 48 — переключатель электрокорректоров фар; 49 — выключатель сигнализатора стояночного тормоза; 50 — реле-прерыватель сигнализатора стояночного тормоза; 51 — регулятор освещения комбинации приборов; 52 — разъем (колодка проводов) для подсоединения системы АБС; 53 — комбинация приборов; 54 — выключатель сигнала торможения; 55 — выключатель плафона освещения вещевого ящика; 56 — плафон освещения вещевого ящика; 57 — топливный модуль; 58 — выключатель сигнализатора блокировки межосевого дифференциала (для автомобилей 4×4); 59 — реле управления стеклоочистителем; 60 — колодки системы управления двигателем; 61 — датчик указателя температуры охлаждающей жидкости; 62 — датчик сигнализатора перегрева охлаждающей жидкости; 63 — стеклоочиститель; 64 — датчик указателя давления масла; 65 — датчик сигнализатора аварийного давления масла; 66 — правый подрулевой переключатель (выключатель звукового сигнала и стеклоочистителя); 67 — датчик скорости; 68 — выключатель ламп света заднего хода; 69 — задний фонарь (правый); 70 — фонари освещения номерного знака; 71 — задний фонарь (левый)
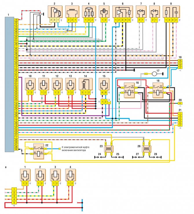
Схема системы управления двигателями ЗМЗ-40522, УМЗ-4216: 1 – электронный блок системы управления двигателем; 2 – датчик фазы (датчик положения распределительного вала); 3 – датчик синхронизации (датчик частоты вращения и положения коленчатого вала);4 – датчик положения дроссельной заслонки; 5 – датчик детонации; 6 – датчик массового расхода воздуха; 7 – датчик температуры охлаждающей жидкости; 8 – датчик температуры воздуха во впускном трубопроводе; 9 – датчик концентрации кислорода (для двигателей с каталитическим нейтрализатором); 10, 11, 12 и 13 – форсунки; 14 – регулятор холостого хода; 15 – клапан продувки адсорбера (для автомобиля с системой улавливания паров топлива); 16 – реле топливного насоса; 17 – электродвигатель топливного насоса; 18 – реле системы управления двигателем;19 – диагностический разъем; 20 – колодка для подсоединения датчика концентрации кислорода; 21 – колодка для соединения системы управления двигателем с электросетью автомобиля; 22 – реле включения электромагнитной муфты вентилятора; 23, 26 – катушки зажигания; 24, 25, 27 и 28 – свечи зажигания; а – схема соединения форсунок на автомобиле с двигателем УМЗ-4216 (1, 2, 3 и 4 – форсунки).
Диагностические коды контроллера Микас 12.3
Доработка автомобильного стетоскопа, функция записи звука
Увеличение яркости света фар. Максимум от штатного галогена.
На главную <<<
Находчивые ремонтники используют вместо хомутов пластиковые пломбы
Автомобили с ульяновскими моторами к нам приходят только на техническое обслуживание. Яркий пример тому — маршрутные такси, которые приезжают к нам только чтобы заменить расходники. Конечно, иногда попадаются и «капризные» двигатели, отчего машины не вылезают из сервиса — то одно сломается, то другое. Но они скорее исключение из правил. Вообще новое семейство УМЗ как нельзя, кстати, подходит для отечественных «ГАЗелей», они простые по конструкции и, как показала практика, вполне надежные. Ульяновские моторы не капризны к качеству топлива, а ресурс шестеренчатого привода ГРМ сопоставим со сроком службы двигателя. Но это не значит, что с УМЗ можно заправляться, где попало — из-за откровенно некачественного бензина часто страдает электроника и засоряется сетчатый фильтр топливоприемника. Немаловажными достоинствами УМЗ-4216 являются и низкий расход масла на угар, а также эффективная система охлаждения — не позволяющая закипать антифризу даже в московских пробках.
Умз 4216 давление топлива в рампе
Газель до 2009 года. Течь под капотом (лужи под капотом)
Первая причина течи — конденсат от работающего кондиционера. Конденсат есть всегда, пока кондиционер работает. Так что это вполне нормально. Поэтому, прежде всего, не отгоняя машину в сторону, посмотрите, где именно натекло. Дотроньтесь до жидкости пальцем и понюхайте. Если ничем не пахнет, цвета не имеет, то это конденсат.
Если жидкость имеет запах, темная и маслянистая — это скорее всего, масло из двигателя или из механической коробки передач. Если жидкость цветная (часто — красная), маслянистая и имеет запах — это жижа из автоматической коробки или из ГУРа — и туда и туда заливается одинаковая жидкость. Если жидкость имеет цвет, небольшой запах, но не маслянистая — это антифриз (если тосол, то цвета вы не обнаружите, только запах). Теперь открывайте капот и внимательно осмотрите все подкапотное пространство. По идее, там все должно быть сухо и все подтеки сразу будут видны. Потрогайте пальцем снизу всех шлангов в местах их затяжки хомутами: возможно именно там хомут прорезал старую резинку и жидкость капает из образовавшегося прореза. Если это так, то на пальце появится влага. Единственное исключение — патрубки кондиционера: на них при работающем кондиционере часто выпадает конденсат (это нормально, пугаться не надо).
Посмотрите, откуда течет. Возможно, что течет из под масляного фильтра или сам фильтр лопнул и пропускает. В этом случае придется его заменить. Если его открутить, то выльется много масла. То есть логически выходит, что лучше всего провести замену масла с заменой фильтра.
Может течь из сливной пробки. Убедитесь, что она правильно вкручена и хорошо затянута.
Если течет просто «откуда-то снизу», то, скорее всего, у вас пробит поддон картера. Попробуйте вспомнить, когда вы последний раз ездили, то не ударялись ли обо что-нибудь днищем? Ведь просто так дырка в картере появится не может — обязательно должно быть какое-то механическое воздействие, обычно — удар. В любом случае, как можно скорее езжайте в автосервис. Посмотрите, насколько сильно течет и какой сейчас уровень масла в двигателе, чтобы понять, сможете ли вы самостоятельно доехать до сервиса. Если есть хоть малейшие сомнения — лучше дотянуть машину на буксире или на эвакуаторе, т. к. в отсутствие масла двигатель заклинит, и вы попадете на очень серьезные деньги.
Может течь из отвернувшейся сливной пробки. Убедитесь, что она затянута. Если течет не оттуда, то поезжайте в сервис, самостоятельно вы навряд ли что сделаете.
Могут течь металлические шланги (пробой или отвернулся наконечник) или поддон. Если у вас пробой шланга или течет поддон, то придется ехать на СТО, если отвернулся наконечник шланга — заверните, а потом покатайтесь и посмотрите, не отвернулся ли он опять. Если опять потек, то, скорее всего, следует обратить внимание на опоры двигателя и АКПП. Дело в том, что АКПП жестко связана с двигателем. Если хотя бы одна опора порвана (особенно касается масляных гидроопор), то появляется несоосность и при нагрузке двигатель начинает слегка «проворачивать» относительно АКПП. В итоге резьбовые соединения шлангов между коробкой и двигателем разбалтываются и начинают течь. Лечится только заменой опор двигателя или АКПП.
Недавно заменили прокладку между коллектором и приемной трубой
Что касается возгораний автомобилей, то недавний случай показал, что чаще всего виновниками их становятся сами владельцы машин, либо это намеренный поджог. Чтобы обслуживать и ремонтировать автомобили качественно и в кратчайшие сроки, мы работаем с надежными компаниями поставщиками запасных частей. Два раза в неделю мы делаем необходимые заказы, к тому же у нас есть собственный склад расходников. Заказать можно любую деталь или узел — их привезут в течение одного-двух дней. Часто к нам приезжают автомобили, оснащенные газобаллонным оборудованием, однако чтобы оснащать ГБО УМЗ-4216, на мой взгляд, необходимо заменить поршневую группу. Оригинальные поршни не выдерживают теплового режима и прогорают.
5.1.2 Сбрасывание давления в топливной системе
Сбрасывание давления в топливной системе
Перед тем, как приступить к работе, ознакомьтесь с мерами предосторожности, приведёнными в разделе Общие сведения и меры безопасности.
| После выполнения описанной ниже процедуры Вы лишь снимете избыточное давление в топливной системе. В трубопроводах останется бензин. Перед тем, как отсоединить какой-либо топливный шланг, примите все необходимые меры предосторожности. |
Топливная система, рассматриваемая в данной Главе, состоит из топливного бака, расположенного внутри него топливного насоса с датчиком запаса топлива, топливного фильтра, инжекторов или форсунок, регулятора давления и различных шлангов и трубок. Внутри всех этих узлов во время работы двигателя (а также при включённом зажигании) топливо находится под давлением.
После выключения зажигания давление в системе сохраняется ещё довольно длительное время. Перед отсоединением любого из упомянутых выше компонент давление необходимо снять.
Для этого кратковременно откройте крышку топливного бака и снова закройте её. Положите на соединение толстую тряпку. Пользуйтесь защитными очками. В системе непосредственного впрыска двигателя AWA описанным образом может быть снято давление только в части системы, имеющей низкое давление (до 6 атм.). Для снятия высокого давления (до 110 атм.) требуются специальные приборы. Высокое давление в системе присутствует в области от ТНВД до форсунок. У дизельного двигателя 1.9 л температура топливных трубопроводов и топлива у двигателя с насос-форсунками в экстремальных случаях может составлять до 100°С. Перед открыванием соединений, дайте топливу остыть, т.к. в противном случае это может произойти ожог.
Простейшим способом сброса давления является следующий. Извлеките предохранитель топливного насоса и запустите двигатель. Если двигатель не запустится, проворачивайте его стартёром в течение нескольких секунд, а если запустится, позвольте двигателю работать на холостых оборотах до тех пор, пока он сам не заглохнет. Для того, чтобы полностью сбросить давление, проверните коленвал двигателя стартёром ещё на пару оборотов. Выключите зажигание и верните на место предохранитель насоса.
Имейте в виду, что если давление сброшено (или из системы удалено топливо), запуск двигателя займет большее, чем обычно, время. Вам придется проворачивать коленвал двигателя стартёром по крайней мере несколько секунд, в течение которых давление в системе восстановится, и топливо заполнит все трубопроводы.


